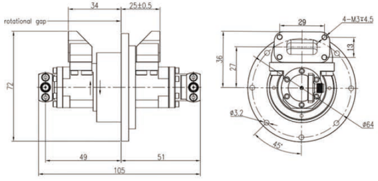
产品内容介绍
产品参数

型 号 | HH02-14145201 | |
通 道 | 通道1 | 通道2 |
接口类型 | R120 | SMA-F(50Ω) |
样 式 | I | U |
频 率 | 14.0-14.5GHz | DC-2.05GHz |
峰值功率,最大值 | 10KW | |
平均功率,最大值 | 10W | |
电压驻波比,最大值 | 1.2 | 1.2 |
电压驻波比最大浮动值 | 0.1 | 0.05 |
插入损耗,最大值 | 0.2dB | 0.4dB |
插入损耗,最大值浮动值 | 0.05dB | 0.1dB |
隔离度,最小值 | 60dB | 60dB |
相位稳定性,最大值 | 1deg | 1deg |
转 速,最大值 | 60转(每分钟) | |
使用寿命,最小值 | 500万转 | |
力矩,最大值 | ||
材 料 | 铝合金 | |
表面处理 | 导电氧化(铬酸盐转化涂层) | |
重量(大约) | 320g | |
使用条件 | ||
环境温度范围 | ﹣40℃ to +70℃ | |
相对湿度,最大值 | 95% |
IP等级 | IP64 |
贮藏条件 | |
环境温度范围 | ﹣55℃ to +85℃ |
相对湿度,最大值 | 95% |
下一篇
暂无发送询盘
推荐产品